Homepage
|
Favorites
中文版
English
HOME
ABOUT
PRODUCT
SUPPORT
CUSTOMER
CONTACT
About us
|
Stockholder
|
Product quality certification
|
高卓立环境应急预案
|
Cleaner production
|
LCD
|
LCM
|
COG
|
Touch panel
|
Back light
|
TFT
|
LCM-Glass
Glossary
|
Common queries
|
Demand
Product
LCD
VA
STN
FSTN
TN&HTN
LCD
LCM
Graphic LCM
Character LCM
COG
Graphic COG
Character COG
Touch panel
Back light
TFT
LCM-Glass
Graphic
Character
Industry
Automotive instrument
Electric and water meters
Household appliances
Industrial instrumentation
Audio Equipment
Comprehensive
Position:
Home
> Product >
GDSC-19264WM-02
Previous
Next
Product Details
Model - naming rules
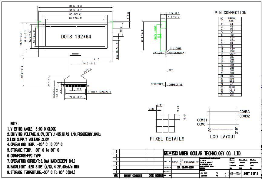
GDSC-19264WM-02
Display content
192*64
Dimensions
(mm)
99.50*46.00/38.00
View size
(mm)
85.00*32.00
Display Mode
黄绿半透
Connection
FPC
Control IC
IST3020041
Backlight and color
黄绿
Remarks
* Tips:
To learn more performance and price, please contact
h@lcdchina.com
Richie